- Dvojno zatesnjeni kroglični ležaji.
- Vgrajeni ščitniki za odbijač.
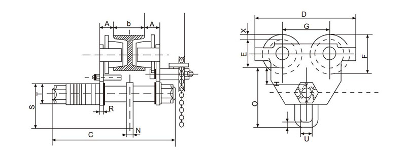
- Prilagodljiv za namestitev različnih velikosti prirobnic in l-žarkov.
- Uporaba na ravni ali ukrivljeni progi.
- Lahko se namesti ali odstrani na kateri koli točki ob progi.
- V skladu z varnostnim standardom CE.
- V skladu z varnostnim standardom ANSI / ASME.
- Vsi modeli imajo različne zmogljivosti z različno širino prirobnice žarka:
HGT05 500 kg (1100 lbs) s širino prirobnice žarka: 64-140 mm (2,5-5,5 palca);
HGT10 1000 kg (2200 lbs) s širino prirobnice žarka: 64-152 mm (2,5-6 palcev);
HGT20 2000 kg (4400 lbs) s širino prirobnice žarka: 76-165 mm (3-6,5 palca);
HGT30 3000KG (6600 lbs) s širino prirobnice žarka: 76-203mm (3-8in.);
HGT50 5000 kg (11000 lbs) s širino prirobnice žarka: 88-203 mm (3,5-8 palcev);
HGT100 10000kg (22000lbs) s širino prirobnice žarka: 125-203mm (5-8in.);
HGT200 20000kg (44000lbs) s širino prirobnice žarka: 144-203mm (5.5-8in.);



Tvrste vpenjanja in dvigala:
Kot dolgoletni profesionalni proizvajalec objemk in dvigal smo razvili različne vrste objemk, kot so na primer nosilci za nosilce IYC, navpična plošča (vrsta ključavnice) ICD/ICD, vertikalna objemka (vrsta ključavnice), serija ICDH, Navadni vozički serije HMT-R, vpenjalni voziček serije TC, gonilni voziček serije HGT, ročna dvigala serije MH, vzvodna dvigala serije LWR, serija TW, kombinirana dvižna dvigala serije CN, električna mini električna dvigala serije MB itd.
Poprodaj storitev:
- Vsaka oprema ima navodila za očala
- 1 leto omejene garancije
- Že vrsto let se ukvarjamo s proizvodnjo dvižne in vpenjalne opreme. In imamo strokovno in odlično ekipo poprodajnih storitev.
Dvigalo in objemka proizvajalca:
Kot profesionalni proizvajalec različnih vrst materialov za dvigovanje in dvigovanje materialov, Objemka za nosilec je eden naših glavnih izdelkov. Poleg tega lahko izdelujemo tudi različne vrste paletnih vozičkov, zlagalnikov, dvižnih miz, viličarjev, žerjavov, rokovanja z bobni, priključka za dvigala, drsalk, dvigal, vlečnih naprav, dvigal, dvižne objemke itd. Če želite kupiti eno vrsto opreme za ravnanje z materiali, nam lahko s te strani pošljete e-pošto za ponudbo. In če vas zanimajo naši drugi izdelki, nas lahko kontaktirate po e-pošti ali na druge načine, navedene na strani. Odgovorili vam bomo v 24 urah.










